微通道反应器在聚合反应中的应用
微反应器作为化学工程学科的前沿和热点方向,逐渐成为聚合物合成的新装备、新工艺与新产品开发的重要平台,得到学术界和产业界的广泛关注。
聚合反应对反应器的传热和混合有很高的要求,传统的釜式反应器在这方面的缺陷成为获得高性能聚合产物的瓶颈之一。
微反应器可实现可控的多相微尺度流动,能够强化聚合反应中的混合、传质和传热过程,严格控制反应时间,实现反应单元的??榛楹稀?/span>
与传统搅拌反应器相比,这些特点使得微反应器在控制聚合物分子量分布,简化反应环境,提高反应选择性,调节聚合物分子结构和宏观形貌等方面展现出了一定优势。
案例1:乳酸化合物聚合
文献(Macromolecules,Volume 49, Issue 6,Pages 2054-2062)描述了微通道技术在开环聚合的应用。
使用了1,5,7-triazabicyclo[4.4.0]dec-5-ene作为催化剂,用微通道技术可以快速地对各种反应条件,包括温度,停留时间等等进行优化。加入适量的催化剂,很好地控制了该聚合反应,单体的转化率达到95%以上,停留时间仅需要2秒,产品的聚合分散度很低(小于1.3)。
该反应可以采用了非金属催化剂,只使用有机催化剂在微通道反应器里面就能得到品质很好的聚乳酸化合物。
反应示意图
案例2:丙烯酸聚合
中国专利(CN 105273113)报道了使用微通道合成聚丙烯酸的案例。
在该反应的开始加入引发剂,在反应的末端加入阻聚剂。丙烯酸和引发剂的摩尔比范围为40-200,聚合温度是60-140 °C,反应压力0.1-1MPa.从该反应器得到的产品具有高度的稳定性,比较窄的分子量分布范围,并且尺寸比较容易得到控制。
案例3:微通道反应器制备银纳米颗粒的研究
银纳米颗粒(又称“纳米银”)在很多领域,如气体传感器、光学器件、电子元件、催化剂以及生物医药等方面具有广泛的用途。
银纳米颗粒的合成有很多种方法,如果你还在使用普通的方法合成银纳米颗粒,那你就“Out”了。伦敦城市学院的A.Gavriilidis等人,以硝酸银(AgNO3)和硼氢化钠(NaBH4)为原料,使用微通道反应器进行了银纳米颗粒的合成(R. Baber, A. Gavriilidis等,RSC Advances, 2015,5, 95585)(图1)。
图 1 微通道反应合成银纳米颗粒
Gavriilidis等考察了反应总流速、原料浓度和表面活性剂浓度等参数对银纳米颗粒大小和粒度分布的影响。发现控制反应条件,可以对银纳米颗粒的大小和粒度分布进行控制。
降低总流速(延长停留时间),银纳米颗粒的大小和粒度分布从5.4±3.4nm降低到3.1±1.6nm;增加表面活性剂的浓度,银纳米颗粒的大小和粒度分布从8.5±6.9nm降低到4.1±1.1nm;增大硝酸银的浓度,银纳米颗粒的大小和粒度分布从9.3±3.0nm降低到3.7±0.8nm (图2)。
图2 不同浓度硝酸银溶液制得的银纳米颗粒透射电镜照片和粒度分布结果(A) 0.05 mM, (B) 0.15mM, (C)0.25 mMand (D) 0.4 mM. 表面活性剂柠檬酸钠浓度0.5 mM,硼氢化钠浓度 0.3 mM. 物料总流速 2.5 ml/min, 微通道内尺寸0.556mm.
与传统的方法相比较,使用微通道反应器进行纳米粒子的合成主要有以下优势:
1)一般微通道反应器在宏观上为平推流设计,无“返混”现象,有利于缩小纳米粒子的粒度分布范围;
2)高效的混合效果,有利于反应物料之间的均匀混合,提高产品的纯度、防止产品中包夹其它杂质;
3)操作简单,可以快速对反应的停留时间、反应温度、物料浓度以及添加剂浓度和种类等参数进行调节,高效地优化工艺参数。
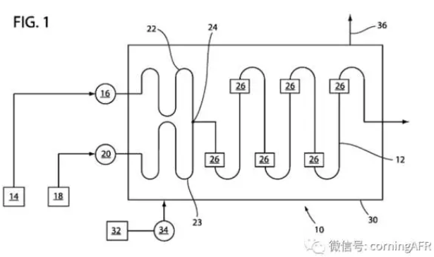
案例4:康宁反应器在聚合反应中的应用案例
康宁研发中心的科学家专利报道了使用康宁微通道反应器合成丙烯酸聚合物,不仅得到了高的转化率,而且能得到很高的分子量和较窄的分子量分布范围。
其反应设置图如下:
其中14是原料罐,18是引发剂罐。16和20是进料泵。22和23是用于预热原料,而26是微混合器,24是Y型混合器 。32是换热介质,而34是换热介质输送泵。
当进行丙烯酸丁酯和丙烯酰胺进行共聚反应时,康宁科学家发现在康宁反应器中得到的结果优势明显,具体结果参见下表:当进行丙烯酸丁酯自聚反应时,Yoshada研究了釜式和不同微通道反应器之间的差异,结果如下图所示:
从结果可以看出,使用康宁反应器结果非常好!几乎得到100%的转化率,而且分子量比较大,PDI也比较低。这说明即使与其他微通道反应器相比,康宁反应器的优势也非常明显。
康宁反应器因其良好的混合和传热性能近年来开始应用到聚合反应中,并表现出巨大潜力。
案例5:微反应器在阴离子聚合反应中的应用
阴离子聚合能够实现对分子量和分子量分布的控制,并可用于嵌段、高支化等结构高分子的设计,但对反应条件的要求通常较为苛刻。
在传统反应器中,必须经过严格的除杂措施以保证活性离子的稳定性。而对于许多反应速度较快的离子聚合反应需要在很低的反应温度下进行反应。
微反应器具有卓越的混合和传热性能,并且具有良好的密闭性恰恰可以满足离子聚合反应的要求,因而在这一领域得到了快速的发展。
Honda 等在由微混合器和微管反应器(内径250μm)组成的微反应器装置中进行了氨基酸-N-羧基-环内酸酐的阴离子聚合。所得产物的分子量分布窄于釜式反应器的聚合产物,并可以通过调节流速来控制产物分子量和分子量分布。
Miyazaki等对上述微混合器进行了改进,用硅取代了聚硅氧烷作为微混合器材料,制得了更为稳定、适于连续生产的微混合器。Iida等采用阴离子聚合制得了具有窄分子量分布的聚苯乙烯,并研究了微反应器孔道形状对反应结果的影响。Wurm 等在微反应器中进行了苯乙烯的阴离子聚合,得到了分子量分布指数为1.09~1.25的聚合物。
Tonhauser 等用预先合成的不同缩水甘油醚终止苯乙烯阴离子聚合的活性种,得到了不同的多羟基末端官能团,如图6所示。利用这一方法可以方便地合成各种末端官能团的聚合产物。
Nagaki 等在T形微混合器和微管式反应器组成的微反应器系统中进行了苯乙烯以及一系列苯乙烯衍生物的阴离子聚合。反应可在10 s 内完成,且在较温和的条件下(0 ℃及24 ℃)也能达到对分子量分布的有效控制。
Wilms 等利用微反应器进行了缩水甘油的阴离子开环聚合(图8),首次实现了超支化聚合物在微反应器中的连续聚合。当提高进料速率并采用高极性溶剂时,可获得高分子量、分子量分布单一的聚合物。
与传统反应过程相比,在微反应器中进行聚合可显著缩短反应时间并使实验操作更加简单安全。
摘自文献:化工进展 2012年第31卷第2期 P.259-267
案例6:微反应器在自由基聚合反应中的应用
大部分自由基聚合是较强的放热反应,且反应速度较快。在传统的釜式反应器中,反应器传热和传质能力的不足往往导致反应体系内温度分布不均,从而影响产物的分子量分布。在放热较强的自由基聚合中,使用传热能力强的微反应器可以显著改善反应结果。
Iwasaki 等用T形微混合器和内径分别为250μm 和500 μm 的微管式反应器组成微反应器系统进行了一系列丙烯酸酯单体的自由基聚合。
釜式反应器中丙烯酸丁酯的聚合反应产物分子量分布指数(PDI)高达10 以上,而相同的反应时间和产率下微混合器中反应产物的PDI 可控制在3.5 以下,证明微反应器可以有效地控制自由基聚合产物的分子量分布。
在此基础之上,Iwasaki 等用8个微反应器组合搭建了小试规模的甲基丙烯酸甲酯自由基聚合装置,进行了微反应器放大的研究,结果证明该装置可以长时间稳定运行,展示了利用微反应器进行工业化生产的前景。Serra等对不同构型的微反应器中进行的自由基聚合进行了数值模拟,从理论上展示了微反应器对自由基聚合反应的控制作用。
摘自文献:化工进展 2012年第31卷第2期 P.259-267
免责声明:文章来源知乎 作者:法式滚筒YEboss公众号:YEBOSS的化工大杂烩 转载仅供参考学习及传递有用信息,版权归原作者所有,如侵犯权益,请联系删除。
