微通道五步连续合成奥司他韦
磷酸奥司他韦(Oseltamivir phosphate),是罗氏(Roche)公司研发的一种流感神经氨酸苷酶(NA)抑制剂,经水解可转化为活性成分奥司他韦羧酸盐,抑制流感神经氨酸酶,从而阻断子代病毒颗粒的释放。适用于两周龄及以上的患者出现症状两天内的急性简单流感的治疗以及一周岁以上的流感预防。
磷酸奥司他韦最早于1999年9月21日获得瑞士医药管理局批准上市,然后于1999年10月27日获美国食品药品管理局(FDA)批准上市,之后于2000年12月12日获得日本医药品医疗器械综合机构(PMDA)批准上市,后又于2002年6月20日获欧洲药物管理局(EMA)批准上市。由罗氏在瑞士、美国和欧洲上市销售,由中外制药在日本上市销售,商品名均为Tamiflu?。
以下是奥司他韦近几年的销售数据

数据来源于药渡(https://www.pharmacodia.com/web/drug/1_436.html)
以上数据表明,磷酸奥司他韦年销量呈逐年递增趋势,2014年后每年超过10美元的销售额,是具有较好市场前景的重磅药物,因此发开高效、低廉的合成工艺,具有重要的经济价值和社会意义。
最近,日本东北大学Hayashi研究团队在Synthesis杂志上报道了利用微通道技术合成Oseltamivi的结果(Synthesis 2017, 49,424–428)

在此之前Hayashi研究团队在常规釜式反应器中利用微波五步法合成奥司他韦,如下图所示。

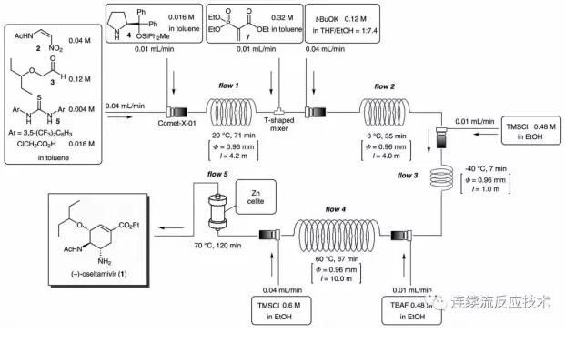
在这一工作的基础上,Hayashi研究团队通过对反应条件的优化,实现了在微通道反应系统中连续合成奥司他韦,其中整个微反应系统由五个相互连接的微反应单元组成,反应过程中中间体不经分离纯化,直接连续化进行反应,最后得到目标产物,如下图所示。

在第一个微反应反应单元中,反应物(Z)-N-(2-硝基乙烯基)乙酰胺2、2-(3-戊氧基)乙醛3、氯乙酸以及Schreiner硫脲5混合后,再与二苯基脯氨醇甲基硅烷醚一起注入混合器中,混合均匀的反应混合液流入微通道反应器中,在20℃下停留71min,发生不对称Michael加成反应。在溶剂选择方面,虽然(Z)-N-(2-硝基乙烯基)乙酰胺2在极性溶剂中的溶解度较大,但是采用极性溶剂会产生不想要的反式产物,造成目标产物收率下降,因此,作者采用非极性甲苯作溶剂。结果显示,该反应具有较好的面选择性和对映选择性(91%, dr = 10:1, 97% ee)。
在第二个反应单元中,作者用t-BuOK作碱代替难溶的Cs2CO3。将磷酰基丙烯酸酯7和t-BuOK分别溶于甲苯和乙醇中,其与第一个单元反应出来的反应混合物进行Horner–Wadsworth–Emmons反应。为防止磷酰基丙烯酸酯7和EtOH发生Michael加成,酰基丙烯酸酯7和t-BuOK分开进料。该反应在反应过程中会产生一些固体杂质堵塞管道,系统的优化实验表明,四氢呋喃的加入有助于抑制杂质的生成。结果表明,0℃下物料停留35min,可使该反应达到 60%的产率,其中两个异构体5S/5R=1:5。
在第三个反应单元中,发生的是上步产物氮酸钾盐8质子化。实验表明:-40℃时,将溶于EtOH的TMSCl和氮酸钾盐8在微反应器中停留7min,即可实现使化合物8转变为化合物9(见scheme1)。
在第四步单元反应中,化合物9进行差向异构化,即(5R)-异构体9转化为(5S)-异构体9。优化结果表明:60°C下,溶于乙醇中的四丁基氟化胺(TBAF)和上一步反应物9在微反应器中停留67min后, 5S/5R之比可达1:1。
第五步单元反应是将硝基还原为氨基。因为用作还原剂的Zn是固体,不适合在管道中进行反应。作者将5g锌粉和8g硅藻土均匀混合后填入Biotaga公司生产的SANP空柱中,制成还原柱。然后将TMSCl溶于EtOH从柱子的底部注入,第四步反应流出液从柱子顶部注入,两者相向流动,70℃时停留120min,流出液再进行酸/碱处理、柱纯化,即可得到目标产物。
整个反应步骤除了第五步的,其余的反应都在内径为0.95mm的PTFE细管中进行,物料在其中的总停留时间为310分钟。在该条件下,每15个小时即可制得奥司他韦58mg (总收率13%)。整个反应过程无需分离中间体,五步连续流反应后即可制得目标产物。
作者采用五个微反应器单元相互串联,不经分离中间体,五步连续反应即可制得目标产物奥司他韦,考虑到微通道反应具有可以平行并联快速无缝放大等有点,这使得所发展的该方法对开发其他API的连续化工艺具有重要参考价值。
来源连续流反应技术
